详细介绍
产品特点
卡箍连接卫生型金属管转子流量计是什么类型的流量计,光看这个名称就知道了是属于卫生型卡箍连接,便于清洗的。那么卫生型跟什么行业比较相关呢,那当然是需要特别注重卫生的行业,比如医药、航空航天、食品、饮料等复杂工况的场合。其实本身的高精度、高稳定、高可靠参数在其他类型金属管浮子流量计看来也都可以满足,*区别的就是壳体和接液材质问题。卡箍连接卫生型金属管转子流量计可以在他所应用的领域。而且还有不锈钢材质的外壳,一般情况的腐蚀性环境都能正常工作,如果有更厉害的腐蚀性环境,当然也可以选择更好的防腐材料来生产,这一点毋庸置疑。卫生型金属管浮子流量计不仅可以选择下进上出、侧进侧出的测量方式,也可以选择左进左出、右进右出得测量方式,还有其他几种方式,这里就不多说了,可以看下面的选型方式。
金属管浮子流量计浮子在测量管中,随着流量的变化,将浮子向上移动,在某一位置浮子所受的浮力与浮子重力达到平衡。此时浮子与孔板(或锥管)间的流通环隙面积保持一定。环隙面积与浮子的上升高度成正比,即浮子在测量管中上升的位置代表流量的大小,变化浮子的位置由内部磁铁传输到外部的指示器,使指示器正确地指示此时的流量值。这就使得指示器壳体不和测量管直接接触,因此,即使安装限位开关或变送器,仪表可用于高温,高压工作条件下。
金属管浮子流量计浮子在测量管中,随着流量的变化,将浮子向上移动,在某一位置浮子所受的浮力与浮子重力达到平衡。此时浮子与孔板(或锥管)间的流通环隙面积保持一定。环隙面积与浮子的上升高度成正比,即浮子在测量管中上升的位置代表流量的大小,变化浮子的位置由内部磁铁传输到外部的指示器,使指示器正确地指示此时的流量值。这就使得指示器壳体不和测量管直接接触,因此,即使安装限位开关或变送器,仪表可用于高温,高压工作条件下。
-
一
-
二
-
三
-
四
-
五
-
六
技术参数
| 测量范围 |
水 (20℃) 16~150000 l/h 空气(0.1013MPa 20℃) 0.5~4000 m3/h |
液晶显示 |
瞬时流量显示数值范围:0.000~99999 累积流量显示数值范围:0.00~99999999 |
| 夹套压力等级 | 1.6MPa | 电气接口 | M20×1.5、PG11、1/2”NPT或用户提供规格 |
| 介质温度 | 标准型 -80℃~+220℃ | 整体高度 | 标准型:250mm(其他安装方式见相关表格) |
| 高温型 | 300℃ | 防护等级 | IP65/IP67 |
| 内衬FEP型 | ≤85℃ | 防爆标志 |
本安型:ExiaIICT3~6 隔爆型:ExdIICT4~6 |
| 环境温度 | -40℃~+120℃(无液晶显示远传型≤85℃) (带液晶显示远传型≤70℃) | 介质粘度 |
DN15: ≤5mPa.s ≤30mPa.s) DN25: ≤250mPa.s DN50~DN150:≤300mPa.s |
| 量程比 | 10:1(特殊型20:1) | 输出 |
标准信号:二线制4~20mA(可带HART通讯) 标准信号:三线制0~10mA 报警信号:1、两路继电器输出(极限值125VAC/0.25A) 2、一路或两路接近开关(开关要求根据客户要求) 脉冲信号输出:0-1KHz隔离输出(输出电平Vpp>4.5V) |
| 精度等级 | 2.5(特殊型1.5%或 1.0%) | 供电 |
标准型:24VDC±20% 交流型:220VAC(85~265VAC)(需定制) 电池型:3.7@4.4-5.2AH锂电池,根据不同使用情况,每组可用(3~12个月),两组替换使用。 |
| 工作压力 |
DN15~DN50 PN16MPa (特殊型25MPa) DN80~DN150 PN10MPa (特殊型16MPa) |
连接方式 |
标准型:HG20592法兰 特殊型:用户提供法兰标准 螺纹连接型:用户指定 |
产品尺寸

标准型外形尺寸及重量

夹套型外形尺寸及重量

内衬FEP型外形尺寸及重量

上进下出型外形尺寸及重量

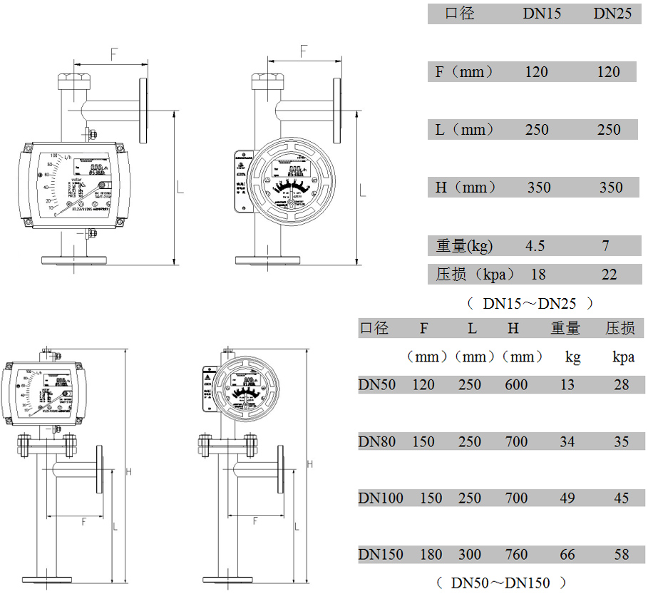
侧进侧出型:外形尺寸、重量及压损

下进侧出型:外形尺寸、重量及压损

水平安装型:型外形尺寸、重量及压损

垂直安装金属管浮子流量计
金属管浮子流量计
液晶显示金属管浮子流量计
卡箍连接卫生型金属管转子流量计
防爆型金属管转子流量计
微小型金属管浮子流量计
报警型金属管转子流量计
电池供电金属管浮子流量计
远传金属管转子流量计
磁性过滤器
扫一扫关注我们